19501-5AA-A00, 195015AAA00 OEM wąż chłodnicy górny Civic 10gen 17-22 L15B 1.5 Turbo

OEM wąż chłodnicy górny Civic 10gen 17-22 L15B 1.5 Turbo

19504-5AA-A00, 195045AAA00 OEM wąż chłodnicy dolny Civic 10gen 17-22 L15B 1.5 Turbo

OEM wąż chłodnicy dolny Civic 10gen 17-22 L15B 1.5 Turbo

OEM

OEM wąż chłodnicy długi Civic 10gen 17-22 L15B 1.5 Turbo

175,00 zł
Dostępność: W magazynie
Zostało 4 szt.
SKU
19502-5AA-A00
Producent:
Pasuje do:
Civic, Civic X (2017-2022)
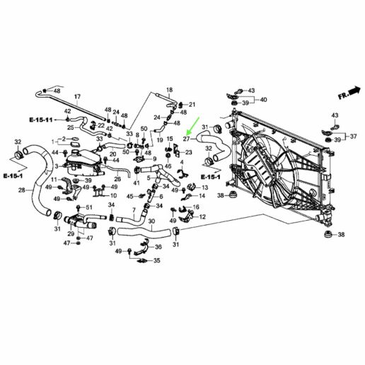
OEM wąż chłodnicy długi Civic 10gen 17-22 L15B 1.5 Turbo

Wąż chłodnicy

Oryginalny OEM Honda długi wąż chłodnicy, przewód chłodniczy.

Dedykowany do:
Honda Civic 10gen 17-22 silniki L15B (1.5 Turbo)

Nr części: 19502-5AA-A00
Nr na schemacie: 28

Jeden z łącznie 4 elementów głownie odpowiedzialnych za obieg wody przy chłodnicy i możliwie powodujący wycieki lub nieszczelność.
Poniżej lista wszystkich elementów wartych wymiany/sprawdzenia w przypadku wycieków:
19503-5AA-A00 - przewód wodny sztywny dolny - kliknij aby przejść do produktu.
19501-5AA-A00 - wąż chłodnicy górny - kliknij aby przejść do produktu.
19502-5AA-A00 - wąż chłodnicy długi - kliknij aby przejść do produktu.
19504-5AA-A00 - wąż chłodnicy dolny - kliknij aby przejść do produktu.
Informacje dodatkowe
Producent Honda OEM
Homologacja drogowa Tak: Europa, Tak: USA